ホームchevron_right技術資料一覧chevron_right形態観察chevron_rightTEMchevron_rightPEブレンド材料のTEM観察
技術資料
No.T1809 | 2018.03.08 (2025.11.07改訂)

PEブレンド材料のTEM観察

~HDPEとL-LDPEの結晶ラメラ形態観察~
〇試料

PEブレンド材料

〇前処理

ミクロトームによる超薄切片作製および電子染色

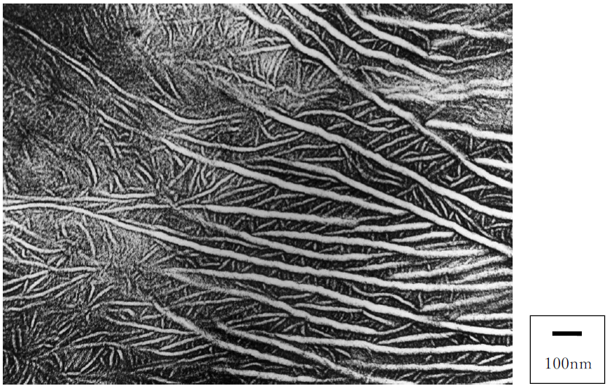
HDPE/L-LDPEブレンド

HDPE/L-LDPEブレンド

HDPE/L-LDPEブレンド

HDPE/L-LDPEブレンド

適用分野
プラスチック・ゴム、その他有機製品
キーワード
ポリマー、結晶ラメラ、PE、HDPE、LDPE、ミクロトーム、電子染色、形態、TEM

CONTACTぜひ、お問い合わせください

弊社の分析技術について、納期やコストについてご検討の方は、
お問い合わせフォームより問い合わせください。